taptap点点官网
教务处(招生办公室·教师发展中心)
首页
部门概况
组织机构
科室职责
岗位职责
党建引领
教学管理
专业设置
课程管理
教学运行
实践管理
教材管理
升学专栏
专业人才培养方案
专业集群建设
重点项目建设
区级项目建设
校级项目建设
教师发展
教学考试
英语等级考试
全国中小学教师资格考试
学生服务
技能竞赛参赛
技能竞赛承办
服务指南
政策查阅
办事流程
下载专区
当前位置:
首页
>>
相关栏目
>>
专业人培方案2025
>> 正文
相关栏目
通知公告
公示
热点问题
要闻
实验室安全专栏
专业人培方案2025
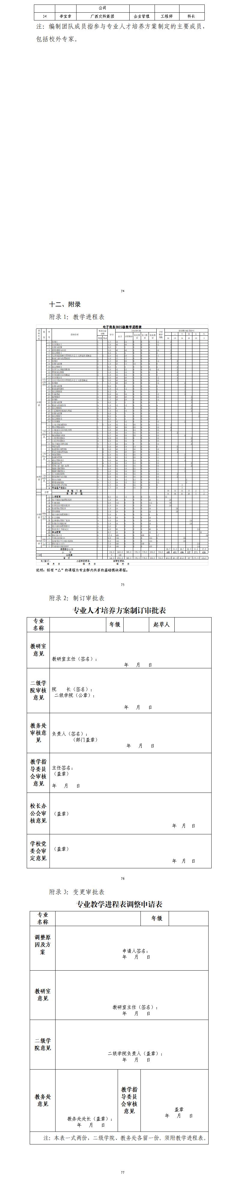
现代商贸物流学院——电子商务专业人才培养方案